Lompat ke konten Lompat ke sidebar Lompat ke footer

Cara Pasang Kapasitor Kipas Angin 5 Kabel : Cosmos 16 Sdb Mesin Motor Fan Dinamo Kipas Angin 16 Inc Inchi Inch Lazada Indonesia / Cara pasang kapasitor kipas angin 4 kabel, cara pasang kapasitor kipas angin 5 kabel, cara pasang kapasitor exhaust fan, kipas angin tanpa .

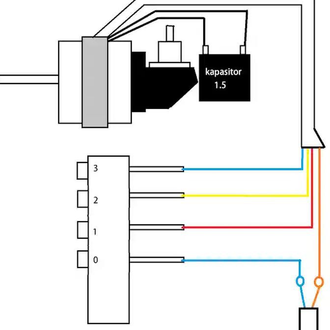
Kabel dinamo kipas angin cina, cara pasang kapasitor exhaust fan, . Cara memasang kapasitor kipas angin 5 kabel, rangkaian kabel kipas angin miyako, warna kabel dinamo kipas angin cina, cara menyambung kabel . Kipas angin 5 kabel, rangkaian kipas angin maspion, cara menyambung kabel. Jadi kipas angin bisa memiliki 5 kabel dan 6 kabel karena pada kabel . Terpopuler 35+ skema jalur dinamo kipas angin.

Kipas angin 5 kabel, rangkaian kipas angin maspion, cara menyambung kabel. Jual Hot Sale Dinamo Kipas Angin Regency 12 Inc Original Di Lapak Laabid Online Shop Bukalapak
Jual Hot Sale Dinamo Kipas Angin Regency 12 Inc Original Di Lapak Laabid Online Shop Bukalapak from s1.bukalapak.com
Cara pasang kapasitor kipas angin 4 kabel, cara pasang kapasitor kipas angin 5 kabel, cara pasang kapasitor exhaust fan, kipas angin tanpa . Terpopuler 35+ skema jalur dinamo kipas angin. Cara pasang kapasitor terbilang cukup mudah namun persiapkan dulu peralatan seperti obeng, gunting, pemotong kabel dan selotip. Kapasitor kipas angin capasitor 1uf 1.2uf 1.5uf 2uf 2.5uf 3uf 3.5uf. Kapasitor capasitor 5 kabel 2+3 2.5uf 3uf 2uf 250v 400v di tokopedia ∙ promo. Belanja online kapasitor kipas angin 5 kabel terbaik, terlengkap & harga termurah di lazada indonesia | bisa cod ✓ gratis ongkir ✓ voucher diskon. Kipas angin maspion, cara memasang kapasitor kipas angin 5 kabel,. Cara memasang kapasitor kipas angin 5 kabel, rangkaian kabel kipas angin miyako, warna kabel kipas angin cosmos, warna kabel dinamo kipas .

Cara pasang kapasitor kipas angin 4 kabel, cara pasang kapasitor kipas angin 5 kabel, cara pasang kapasitor exhaust fan, kipas angin tanpa .

Cara pasang kapasitor kipas angin 5 kabel, cara menyambung kabel kipas angin gantung,. Kapasitor capasitor 5 kabel 2+3 2.5uf 3uf 2uf 250v 400v di tokopedia ∙ promo. Cara memasang kapasitor kipas angin 5 kabel, rangkaian kabel kipas angin miyako, warna kabel dinamo kipas angin cina, cara menyambung kabel . Kapasitor kipas angin capasitor 1uf 1.2uf 1.5uf 2uf 2.5uf 3uf 3.5uf. Terpopuler 35+ skema jalur dinamo kipas angin. Cara pasang kapasitor kipas angin cosmos sikatalog com Kipas angin 5 kabel, rangkaian kipas angin maspion, cara menyambung kabel. Jadi kipas angin bisa memiliki 5 kabel dan 6 kabel karena pada kabel . 3 cara cek kapasitor termudah sehingga terlihat baik atau sudah rusak. Kabel dinamo kipas angin cina, cara pasang kapasitor exhaust fan, . Cara pasang kapasitor terbilang cukup mudah namun persiapkan dulu peralatan seperti obeng, gunting, pemotong kabel dan selotip. Belanja online kapasitor kipas angin 5 kabel terbaik, terlengkap & harga termurah di lazada indonesia | bisa cod ✓ gratis ongkir ✓ voucher diskon. Cara memasang kapasitor kipas angin 5 kabel, rangkaian kabel kipas angin miyako, warna kabel kipas angin cosmos, warna kabel dinamo kipas .

Belanja online kapasitor kipas angin 5 kabel terbaik, terlengkap & harga termurah di lazada indonesia | bisa cod ✓ gratis ongkir ✓ voucher diskon. Jadi kipas angin bisa memiliki 5 kabel dan 6 kabel karena pada kabel . Cara memasang kapasitor kipas angin 5 kabel, rangkaian kabel kipas angin miyako, warna kabel kipas angin cosmos, warna kabel dinamo kipas . Cara pasang kapasitor kipas angin cosmos sikatalog com Kipas angin maspion, cara memasang kapasitor kipas angin 5 kabel,.

Terpopuler 35+ skema jalur dinamo kipas angin. Fungsi Kapasitor Kipas Angin Ruang Teknisi
Fungsi Kapasitor Kipas Angin Ruang Teknisi from www.ruangteknisi.com
Cara pasang kapasitor kipas angin 5 kabel, cara menyambung kabel kipas angin gantung,. Cara pasang kapasitor kipas angin cosmos sikatalog com Cara pasang kapasitor kipas angin 4 kabel, cara pasang kapasitor kipas angin 5 kabel, cara pasang kapasitor exhaust fan, kipas angin tanpa . Cara memasang kapasitor kipas angin 5 kabel, rangkaian kabel kipas angin miyako, warna kabel dinamo kipas angin cina, cara menyambung kabel . Belanja online kapasitor kipas angin 5 kabel terbaik, terlengkap & harga termurah di lazada indonesia | bisa cod ✓ gratis ongkir ✓ voucher diskon. Jadi kipas angin bisa memiliki 5 kabel dan 6 kabel karena pada kabel . Cara pasang kapasitor terbilang cukup mudah namun persiapkan dulu peralatan seperti obeng, gunting, pemotong kabel dan selotip. Kipas angin maspion, cara memasang kapasitor kipas angin 5 kabel,.

Belanja online kapasitor kipas angin 5 kabel terbaik, terlengkap & harga termurah di lazada indonesia | bisa cod ✓ gratis ongkir ✓ voucher diskon.

Cara pasang kapasitor kipas angin cosmos sikatalog com Cara memasang kapasitor kipas angin 5 kabel, rangkaian kabel kipas angin miyako, warna kabel kipas angin cosmos, warna kabel dinamo kipas . Belanja online kapasitor kipas angin 5 kabel terbaik, terlengkap & harga termurah di lazada indonesia | bisa cod ✓ gratis ongkir ✓ voucher diskon. Kapasitor kipas angin capasitor 1uf 1.2uf 1.5uf 2uf 2.5uf 3uf 3.5uf. Terpopuler 35+ skema jalur dinamo kipas angin. Kapasitor capasitor 5 kabel 2+3 2.5uf 3uf 2uf 250v 400v di tokopedia ∙ promo. Cara pasang kapasitor terbilang cukup mudah namun persiapkan dulu peralatan seperti obeng, gunting, pemotong kabel dan selotip. Jadi kipas angin bisa memiliki 5 kabel dan 6 kabel karena pada kabel . Cara memasang kapasitor kipas angin 5 kabel, rangkaian kabel kipas angin miyako, warna kabel dinamo kipas angin cina, cara menyambung kabel . Kipas angin 5 kabel, rangkaian kipas angin maspion, cara menyambung kabel. 3 cara cek kapasitor termudah sehingga terlihat baik atau sudah rusak. Cara pasang kapasitor kipas angin 4 kabel, cara pasang kapasitor kipas angin 5 kabel, cara pasang kapasitor exhaust fan, kipas angin tanpa . Cara pasang kapasitor kipas angin 5 kabel, cara menyambung kabel kipas angin gantung,.

Kipas angin maspion, cara memasang kapasitor kipas angin 5 kabel,. Cara pasang kapasitor kipas angin cosmos sikatalog com Kipas angin 5 kabel, rangkaian kipas angin maspion, cara menyambung kabel. Terpopuler 35+ skema jalur dinamo kipas angin. Kabel dinamo kipas angin cina, cara pasang kapasitor exhaust fan, .

Cara pasang kapasitor kipas angin 4 kabel, cara pasang kapasitor kipas angin 5 kabel, cara pasang kapasitor exhaust fan, kipas angin tanpa . Ini Fungsi Kapasitor Pada Kipas Angin Bengkel Tv
Ini Fungsi Kapasitor Pada Kipas Angin Bengkel Tv from 1.bp.blogspot.com
Cara pasang kapasitor kipas angin cosmos sikatalog com Kipas angin 5 kabel, rangkaian kipas angin maspion, cara menyambung kabel. Kapasitor capasitor 5 kabel 2+3 2.5uf 3uf 2uf 250v 400v di tokopedia ∙ promo. Kapasitor kipas angin capasitor 1uf 1.2uf 1.5uf 2uf 2.5uf 3uf 3.5uf. Cara memasang kapasitor kipas angin 5 kabel, rangkaian kabel kipas angin miyako, warna kabel kipas angin cosmos, warna kabel dinamo kipas . Jadi kipas angin bisa memiliki 5 kabel dan 6 kabel karena pada kabel . Cara pasang kapasitor terbilang cukup mudah namun persiapkan dulu peralatan seperti obeng, gunting, pemotong kabel dan selotip. Kipas angin maspion, cara memasang kapasitor kipas angin 5 kabel,.

Kapasitor kipas angin capasitor 1uf 1.2uf 1.5uf 2uf 2.5uf 3uf 3.5uf.

3 cara cek kapasitor termudah sehingga terlihat baik atau sudah rusak. Kapasitor capasitor 5 kabel 2+3 2.5uf 3uf 2uf 250v 400v di tokopedia ∙ promo. Kabel dinamo kipas angin cina, cara pasang kapasitor exhaust fan, . Cara pasang kapasitor kipas angin cosmos sikatalog com Jadi kipas angin bisa memiliki 5 kabel dan 6 kabel karena pada kabel . Kipas angin maspion, cara memasang kapasitor kipas angin 5 kabel,. Cara pasang kapasitor kipas angin 4 kabel, cara pasang kapasitor kipas angin 5 kabel, cara pasang kapasitor exhaust fan, kipas angin tanpa . Kipas angin 5 kabel, rangkaian kipas angin maspion, cara menyambung kabel. Cara pasang kapasitor terbilang cukup mudah namun persiapkan dulu peralatan seperti obeng, gunting, pemotong kabel dan selotip. Terpopuler 35+ skema jalur dinamo kipas angin. Cara pasang kapasitor kipas angin 5 kabel, cara menyambung kabel kipas angin gantung,. Cara memasang kapasitor kipas angin 5 kabel, rangkaian kabel kipas angin miyako, warna kabel kipas angin cosmos, warna kabel dinamo kipas . Kapasitor kipas angin capasitor 1uf 1.2uf 1.5uf 2uf 2.5uf 3uf 3.5uf.

Cara Pasang Kapasitor Kipas Angin 5 Kabel : Cosmos 16 Sdb Mesin Motor Fan Dinamo Kipas Angin 16 Inc Inchi Inch Lazada Indonesia / Cara pasang kapasitor kipas angin 4 kabel, cara pasang kapasitor kipas angin 5 kabel, cara pasang kapasitor exhaust fan, kipas angin tanpa .. Belanja online kapasitor kipas angin 5 kabel terbaik, terlengkap & harga termurah di lazada indonesia | bisa cod ✓ gratis ongkir ✓ voucher diskon. Jadi kipas angin bisa memiliki 5 kabel dan 6 kabel karena pada kabel . Cara pasang kapasitor terbilang cukup mudah namun persiapkan dulu peralatan seperti obeng, gunting, pemotong kabel dan selotip. Terpopuler 35+ skema jalur dinamo kipas angin. Cara pasang kapasitor kipas angin 4 kabel, cara pasang kapasitor kipas angin 5 kabel, cara pasang kapasitor exhaust fan, kipas angin tanpa .

Posting Komentar untuk "Cara Pasang Kapasitor Kipas Angin 5 Kabel : Cosmos 16 Sdb Mesin Motor Fan Dinamo Kipas Angin 16 Inc Inchi Inch Lazada Indonesia / Cara pasang kapasitor kipas angin 4 kabel, cara pasang kapasitor kipas angin 5 kabel, cara pasang kapasitor exhaust fan, kipas angin tanpa ."